欢迎访客!

登录

|

免费注册

CN
EN
021-62226107
Alternate Text

首页 >

行业资讯 >

详细信息

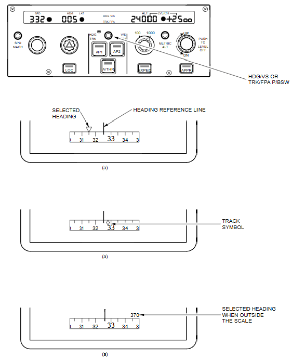
A320机型 主飞行显示PFD上的信息量有多大
A320机型 主飞行显示PFD上的信息量有多大

PFD上显示的姿态数据介绍详见A320机型 主飞行显示PFD上的信息量有多大?,本文将详细介绍PFD上显示的航向信息。

航向

航向刻度以模拟方式呈现飞机的实际磁航向。

(1) 刻度描述

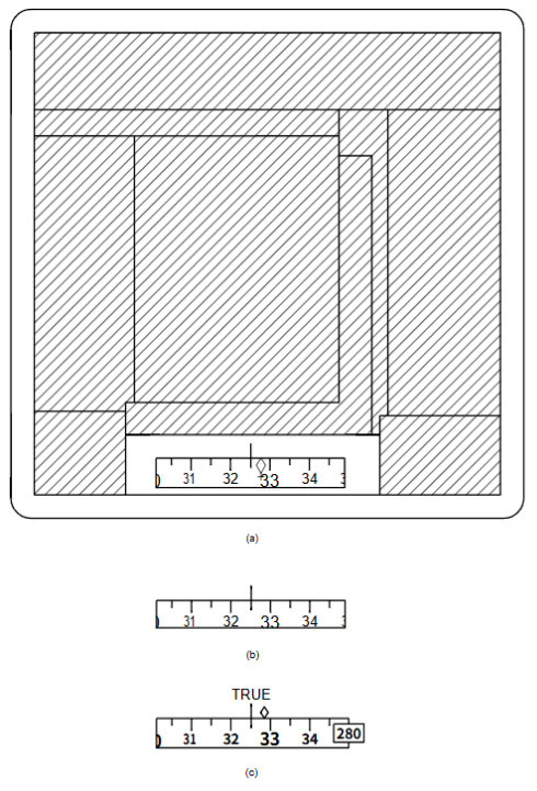
刻度由白色的基准线以及对应的航向值组成。每隔10度标注一个用小号字体书写的航向值。每隔30度的倍数(即30、60、90...)用大号字体突出显示。屏幕上可见的航向刻度范围是飞机当前磁航向的正负24度。

真航向

  • 当飞机位于北纬73度以北和南纬60度以南时,"TRUE"(真航向)白色字样会出现在航向刻度上方中央。
  • 根据"PP-POLARNAV"跳线针程的设置,此功能可由机组手动操作(将NORTH REF电门置于TRUE位)实现,或由ADIRU在飞机进入极地区域时自动实现。
  • 在自动模式下,当进入极区时,一个青色的"TRUE"信息会出现在航向基准线上方的青色方框中(无论LOC刻度是否显示)。
  • 在自动或手动真航向模式下,当缝翼放出时,"TRUE"信息及其方框会闪烁10秒钟,然后转为常亮。

(2) 选项与符号说明

(a) 航向/垂直速度模式

绿色菱形符号:代表飞机当前的实际航迹。青色三角形符号:代表FCU(飞行控制组件)上选择的航向或航迹(前提是FCU对应的计数器上显示了数值)。如果所选数值超出当前航向刻度的显示范围,该符号会由位于刻度盘左侧或右侧的数字替代。

(b) ILS进近模式

在ILS进近模式下,当按下ILS电门(电门灯亮)时,航向刻度上会显示一个洋红色的匕首状符号,代表ILS航道或跑道QFU(磁方向)。如果ILS航道值超出当前航向刻度的显示范围,该QFU符号会由刻度盘左侧或右侧的数字替代。

(c) 航向故障

如果磁航向数据失效,航向刻度位置会显示一面红色故障旗,先闪烁9秒,然后转为常亮。

(3) 航向故障旗显示条件

下表给出了航向相关警告旗的显示条件:

标志信息 显示条件
CHECK HDG 琥珀色信息显示在航向刻度中央。
当磁航向数据有效,但机长与副驾驶的航向指示存在差异时出现。
该信息先闪烁9秒,然后转为常亮。
HDG 红色故障旗替换整个航向刻度。
当磁航向数据无效时出现。
该故障旗先闪烁9秒,然后转为常亮。
PFD 1 (2 or 3) 洋红色信息显示在航向刻度上方。
在地面试车模式下,用于指示当前驱动显示组件(DU)的DMC(显示管理计算机)是哪一个。
免责声明:我们尊重版权并感谢每一位作者的辛苦付出与创作;航空器材网仅为信息发布平台,除无法溯源的信息外,我们均备注了信息来源;如图片、内容涉及版权问题,请及时联系我们:info@airparts.cn或021-62226107进行删除。
Alternate Text Alternate Text
021-62226107
134-72838684
新手上路
用户注册 密码找回
用户中心
如何下单
关于我们
联系方式
Alternate Text
info@airparts.cn
Alternate Text
上海市浦东新区浩宇路919号A1楼318
扫码联系
Copyright © 航空器材网 All Rights Reserved.
沪公网安备 31010502004937号 | 沪ICP备2021037716号-1